Some kids spend their summers chasing the neighbourhood cat with a water pistol, scrumping apples, biking all over, and generally getting up to no good. Whilst of course I did engage in these “normal” pursuits whilst growing up, I also had access to a lathe, silver soldering equipment, and an overflowing scrap metal box. So naturally, I spent many an hour messing about making various bits and bobs.
One of these little projects I made was a brass pot to keep meths (methylated spirits) in for use with those old pump style Primus gas stoves for camping (nobody should use one of these nowadays—just use a jetboil or similar!). A small amount of meths was ignited in a circular half-tube shaped dish just under the main burner to pre-heat it.
Most of these little experiments in the workshop got lost over the years in house moves, but I stumbled across this one in a box whilst cleaning up. As you can see from the pictures, it’s not the best workmanship, but I think you can give me some slack for being about 13 at the time!
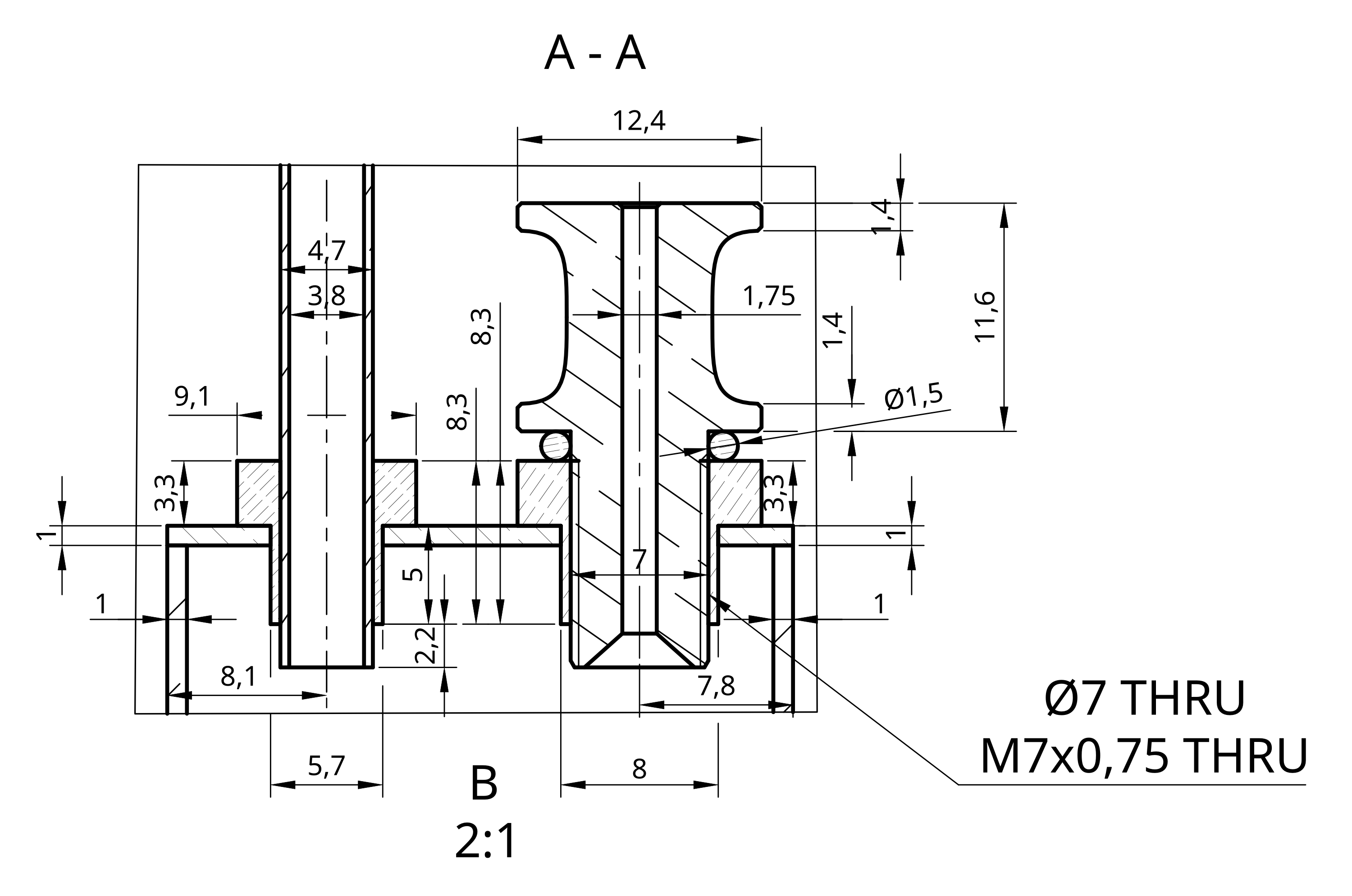
For posterity in case I lose it again I’ve done a quick CAD drawing which you can view on Onshape (some extracts below).
It now sits on my shelf as a reminder of the creativity that can stem from a mind that is unfettered with responsibility and willing to just dive in. Though, using the oxy-propane to do the silver soldering at this age was in hindsight… not my best decision.
Images










